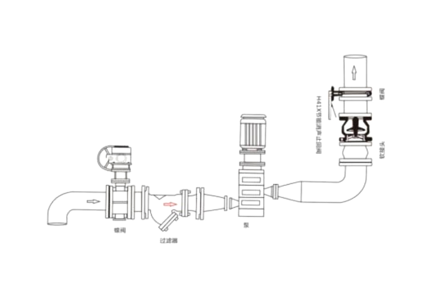
Katup periksa peredam terutama cocok untuk sistem pasokan air dan drainase gedung bertingkat, sistem pasokan air pipa kebakaran, dll. Katup periksa peredam ini dapat secara efektif mencegah media mengalir kembali dan menyebabkan palu air yang merusak, serta melindungi pompa air dan peralatan pipa lainnya. Karakteristik kinerja utama katupnya adalah sebagai berikut: 1. Katup ini dapat dipasang secara vertikal atau horizontal. Katup dapat diangkat dan diturunkan secara fleksibel, beroperasi dengan lancar, memiliki kebisingan yang rendah, aman, dan jarang mengalami kesalahan. 2. Struktur yang masuk akal dan kinerja penyegelan yang baik. 3. Tahan aus dan umur panjang.
中文简体




